您好!欢迎光临球王会网页网站!
联系电话
      球王会网页中心
产品中心
联系方式
青铜峡办公地址:青铜峡市青铜峡镇
电话(传真):0953一3015398
银川办公地址:银川市兴庆区绿地二十一城企业总部公园B区21号楼
电话(传真):0951一8062678
E-mail:nxjyy@163.com

集团公告
您的位置:首页>> 球王会网页中心  >> 集团公告  

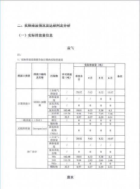
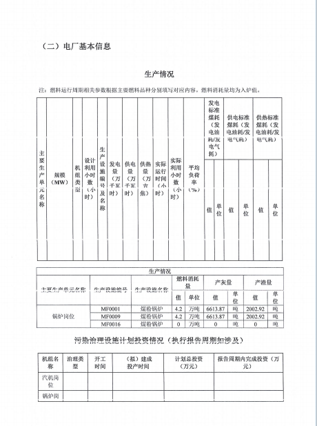
宁夏兴昊永胜盐业科技有限公司2024年第2季度排污许可执行报告

  发表时间:2024年07月29日  点击数:5717 次  来源:兴昊永胜盐业公司  作者:穆桂阳  审核:尚继荣

版权所有:球王会网页 Copyright © 2018 All Rights Reserved. 宁ICP备17000105号
地址:宁夏回族自治区青铜峡市青铜峡镇                         邮箱:nxjyy@163.com
电话:  办公室:0953-3015398(传真)     0951-8062678(传真)         比价办:0951-8072678
             供应部:0951-8878123          销售部:0951-8987123         财务部:0953-3012017
             技术研发中心:0953-3015448
网站设计制作:银川天脉网络有限公司  访问统计: 32032514 人

宁公网安备 64038102000006号